Tahukah anda rumah
tangga merupakan pelaku ekonomi terkecil. Meskipun begitu, rumah tangga
merupakan pelaku ekonomi terpenting karena semua kegiatan ekonomi
berawal dari sana. Kegiatan produksi, distribusi, dan konsumsi pasti
melibatkan salah satu atau beberapa anggota keluarga. Rumah tangga atau
dalam bahasa sehari-hari kita sebut sebagai keluarga umumnya terdiri dari ayah,
ibu, dan anak. Keluarga yang lebih besar mencakup anggota yang lebih banyak
lagi. Mereka semua memiliki kebutuhan, baik kebutuhan individu maupun kebutuhan
bersama. Dalam hal ini maka anda harus setuju bahwa instalasi listrik rumah tangga adalah sebuah kebutuhan juga dalam rumah tangga, karena banyaknya alat elektronik yang memerlukan suplai tenaga listrik untuk keperluan rumah tangga,
seperti penerangan, air, memasak, atau sekedar menonton hiburan di televisi. Pada
umumnya arus listrik yang dialirkan ke rumah Anda berasal dari jaringan
Perusahan Listrik Negara, atau PLN. Urutan arus listrik yang masuk ke rumah
anda, pertama kali masuk melalui MCB (main circuit braker) atau pembatas daya
yang berfungsi sebagai pembatas daya maksimun yang digunakan, lalu ke KWH
meter, kotak sekering dan akhirnya ke semua peralatan listrik seperti lampu,
tv, kipas angin, dan mesin cuci.
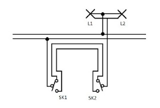
Memasang instalasi listrik rumah tangga dengan benar memerlukan teknik perencanaan yang tepat
selain bertujuan untuk keamanan dan kelayakan teknis instalasi juga akan
membuat fungsi yang maksimal tanpa harus mengurangi estetika dasar sebuah
bangunan rumah hunian. Bukan hanya masalah penempatan titik atau poin dimana
saklar, lampu dan stop kontak yang akan dipasang, namun juga aspek pemilihan
bahan material seperti kabel, pipa kabel, sekering, isolator dan masih banyak
lagi yang harus diperhitungkan tingkat kualitasnya. Semakin baik kualitas bahan
yang akan dipasang, maka akan memberikan keamanan dan meminimalisir dari segala
resiko bahaya listrik terhadap manusia dan makhluk hidup lainnya. Listrik yang
anda gunakan di rumah telah dibagi oleh PLN, berdasarkan kebutuhan pellanggan
nya. pelanggan listrik rumah tangga terbagi dalam tiga golongan, yaitu:
- Pelanggan listrik dengan subsidi 450 VA dan 900 VA.
- Pelanggan listrik non-subsidi 4.400 VA dan 13.00 VA.
- Pelanggan listrik non-subsidi 13.000 VA ke atas (loss stroom).
Adanya proyek listrik penyederhanaan
golongan pelanggan listrik rumah tangga, adalah kebijakan dari Kementerian
Energi dan Sumber Daya Mineral (ESDM). Penyederhanaan hanya berlaku bagi
pelanggan dengan golongan 900 Volt Amper (VA) tanpa subsidi, 1.300 VA, 2.200
VA, dan 3.300 VA. Semua golongan tersebut akan dinaikkan dan ditambah dayanya
menjadi 4.400 VA. Sementara golongan 4.400 VA hingga 12.600 VA dinaikkan dan
ditambahkan dayanya menjadi 13.000 VA, dan golongan 13.000 VA ke atas dayanya
akan di-loss stroom. Namun, penyederhanaan tidak berlaku bagi pelanggan rumah
tangga penerima subsidi. Yaitu, golongan 450 VA dengan pelanggan sebanyak 23
juta rumah tangga dan golongan 900 VA dengan pelanggan 6,5 juta rumah tangga
yang disubsidi oleh pemerintah. Tarif Tenaga Listrik (TTL) di Indonesia
bukanlah yang termahal, bahkan termasuk yang kompetitif di kawasan Asia
Tenggara. Data Agustus 2017 menyebutkan bahwa TTL untuk golongan rumah tangga
di Indonesia sebesar US$ 11,03 sen per kilo Watt hour (kWh).
TTL Indonesia tersebut
jauh lebih murah jika dibandingkan dengan negara tetangga. Seperti Filipina
yang sebesar US$15.36 sen per kWh, Singapura US$15,99 sen per kWh, dan Thailand
sebesar US$12,04 sen per kWh. Untuk pelanggan bisnis menengah, tarif listrik di
Indonesia adalah US$11,03 sen per kWh, sementara Malaysia dan Vietnam lebih
tinggi, yaitu sebesar US$ 11,90 sen per kWh dan Singapura US$ 11,35 sen per
kWh. Demikian juga untuk pelanggan bisnis besar. Pada periode tarif Agustus
2017, tarif di Indonesia adalah US$ 8,38 sen per kWh. Adapun di negara lain
lebih tinggi, yaitu Malaysia US$ 8,41 sent per kWh, Thailand US$ 8,81 sen per
kWh, Singapura US$ 11,11sen per kWh, FilipinaUS$ 9,05 sen per kWh, dan Vietnam
US$10,95 sen per kWh.
.

